5KW Vevor Glühkerze Manuell ansteuern
Zitat von joe55 am 30. Januar 2025, 22:46 UhrHallo liebe Dieselheizungsgemeinde!
Mein Problem! Heizung Startet die Glühkerze springt an dann wird Diesel gepumpt und Heizung Startet, soweit so gut dann geht die Glühkerze aus ( meiner meinung nach zu früh) und das wars, die pumpe pumpt weiter aber man hört das der Brennvorgang abbricht. Beim zweiten Automatischen Start springt die Heizung dann an, natürlich rauchts wie verrückt. JEDESMAL
Würde die Glühkerze ein bisschen länger glühen ginge es beim ersten mal! Brennraum und Tauscher sauber, loch vorm Sieb frei, das Sieb sauber wie neu. Mein Display leider nicht tuning fähig....
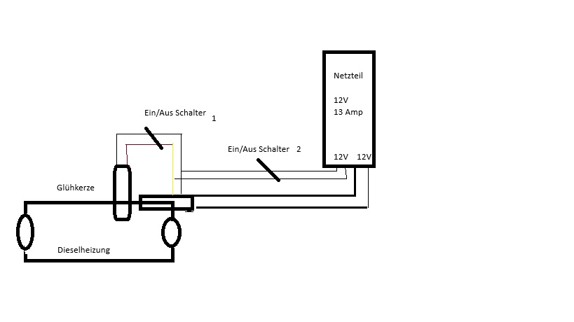
So wenn ich jetzt die zwei kabel von der Glühkerze mit einem ein/aus Schalter versehe und zwei weitere kabel mit Schalter ans Netzteil hänge ( hat ja 3x 12 Volt Schienen und das auch mit einem Schalter versehe, könnte ich die Kerze vom Board abschalten und die Stromversorgung vom Netzteil auf die Kerze Schalten und glühen......denkt Ihr das geht? oder irgend wer eine Idee?
lg.Markus
Hallo liebe Dieselheizungsgemeinde!
Mein Problem! Heizung Startet die Glühkerze springt an dann wird Diesel gepumpt und Heizung Startet, soweit so gut dann geht die Glühkerze aus ( meiner meinung nach zu früh) und das wars, die pumpe pumpt weiter aber man hört das der Brennvorgang abbricht. Beim zweiten Automatischen Start springt die Heizung dann an, natürlich rauchts wie verrückt. JEDESMAL
Würde die Glühkerze ein bisschen länger glühen ginge es beim ersten mal! Brennraum und Tauscher sauber, loch vorm Sieb frei, das Sieb sauber wie neu. Mein Display leider nicht tuning fähig....
So wenn ich jetzt die zwei kabel von der Glühkerze mit einem ein/aus Schalter versehe und zwei weitere kabel mit Schalter ans Netzteil hänge ( hat ja 3x 12 Volt Schienen und das auch mit einem Schalter versehe, könnte ich die Kerze vom Board abschalten und die Stromversorgung vom Netzteil auf die Kerze Schalten und glühen......denkt Ihr das geht? oder irgend wer eine Idee?
lg.Markus
Hochgeladene Dateien:
Zitat von chris@25u am 1. Februar 2025, 18:10 UhrMoin Markus,
ich vermute, dass bei dir die Glühkerze nicht mehr richtig funktioniert. Mach die mal neu und berichte, ob sich das das Startverhalten dadurch verbessert hat. Bei den "klassischen" China Heizungen mit dem 1688-Menü kann man die Heizleistung anpassen. Falls du so eine hast und nicht eine der neueren ist das der PF Wert.
PF1-6 = 35W, 40W, 45W, 80W, 85W, 90W
Das sollte überprüft werden, wenn möglich.
Länger glühen lassen ist in sofern schwierig, als dass die Glühkerze dynamisch hochgefahren wird. Man kann diese daher nicht einfach mit 12 Volt belegen. Es wäre eine Idee, eine zweite Glühkerze nachzurüsten, dann wär deine Chinaheizung für arktische Kälten vorbereitet. Gewinde bohren usw ...
Aber check mal die Punkte, die ich genannt hab. Eventuell hilft das schon.
LG
chris
Moin Markus,
ich vermute, dass bei dir die Glühkerze nicht mehr richtig funktioniert. Mach die mal neu und berichte, ob sich das das Startverhalten dadurch verbessert hat. Bei den "klassischen" China Heizungen mit dem 1688-Menü kann man die Heizleistung anpassen. Falls du so eine hast und nicht eine der neueren ist das der PF Wert.
PF1-6 = 35W, 40W, 45W, 80W, 85W, 90W
Das sollte überprüft werden, wenn möglich.
Länger glühen lassen ist in sofern schwierig, als dass die Glühkerze dynamisch hochgefahren wird. Man kann diese daher nicht einfach mit 12 Volt belegen. Es wäre eine Idee, eine zweite Glühkerze nachzurüsten, dann wär deine Chinaheizung für arktische Kälten vorbereitet. Gewinde bohren usw ...
Aber check mal die Punkte, die ich genannt hab. Eventuell hilft das schon.
LG
chris
Zitat von rapidicus am 2. Februar 2025, 13:48 UhrIch könnte mir auch vorstellen, das die ungeregelt irgendwann abschmilzt....könnte durch den innenwiderstand überwacht sein.
Letztendlich stimmt da irgendwas nicht, üblicherweise funktioniert das ja.
Beim Auto verschwinden ja die Fehler auch nicht durch den Ausbau der Lampe für die MKL....;-)Gruß, Stefan
Edit hat noch eine 2kW zu liegen, bei der wars ähnlich.
Letztendlich war der Glühstrom nur auf 2 gestellt- vom Werk.
Nach korrektur auf 5 lief sie dann völlig normal an.
Kann man reduzieren fü schwächere Stromversorgungen....na ja...
Ich könnte mir auch vorstellen, das die ungeregelt irgendwann abschmilzt....könnte durch den innenwiderstand überwacht sein.
Letztendlich stimmt da irgendwas nicht, üblicherweise funktioniert das ja.
Beim Auto verschwinden ja die Fehler auch nicht durch den Ausbau der Lampe für die MKL....;-)
Gruß, Stefan
Edit hat noch eine 2kW zu liegen, bei der wars ähnlich.
Letztendlich war der Glühstrom nur auf 2 gestellt- vom Werk.
Nach korrektur auf 5 lief sie dann völlig normal an.
Kann man reduzieren fü schwächere Stromversorgungen....na ja...
Zitat von joe55 am 2. Februar 2025, 22:35 UhrOkay...Danke für eure Hilfe!
Ich stell mal mein Display hier rein, ich hab nichts gefunden wo man einen Code eingeben könnte also nehme ich an beim diesem gehts net...
hätte jemand einen link für mich für ein Display wo man das Justieren kann?
Mainbord u Display oder nur das Display tauschen?
Ich werd echt verrückt, jeden jeden jeden Tag Starten dann Glühkerze aus zack Flamabbruch, dann schalte ich manuell aus damit die Pumpe nicht weiter Diesel rein schaufelt und beim zweite Start zieht alles normal durch! ( Kerze heute neu Sieb und Luftloch Sauber) das Selbe spiel....
Danke euch....
Okay...Danke für eure Hilfe!
Ich stell mal mein Display hier rein, ich hab nichts gefunden wo man einen Code eingeben könnte also nehme ich an beim diesem gehts net...
hätte jemand einen link für mich für ein Display wo man das Justieren kann?
Mainbord u Display oder nur das Display tauschen?
Ich werd echt verrückt, jeden jeden jeden Tag Starten dann Glühkerze aus zack Flamabbruch, dann schalte ich manuell aus damit die Pumpe nicht weiter Diesel rein schaufelt und beim zweite Start zieht alles normal durch! ( Kerze heute neu Sieb und Luftloch Sauber) das Selbe spiel....
Danke euch....
Hochgeladene Dateien:Zitat von chris@25u am 3. Februar 2025, 17:41 UhrNa das könnte doch fast das original classic Bedienteil sein.
Drück doch mal auf die "Einstellungen" Taste, das ist die oben links. Wenn da irgendwann - - - - kommt haste Glück gehabt, mit 1688 gehts dann ins Service Menü. Wenn es nur drei Striche hat - - - ...geht es nicht.
Aber sei so gut und liess dir vor Änderungen nochmal die etwas längere "alle Details" Anleitung von meiner Seite hier durch. Du kannst da diverse Sachen verstellen und das Verhalten deiner Heizung stark beeinflussen. Im Positiven wie im Negativen.
Für dich ist der PF Wert interessant, sollte PF5 sein. Falls du da reinkommst usw. Alles andere nicht ändern.
Glühkerze würd ich trotzdem bestellen, auf Vorrat. Kann schon mal kaputt gehen.
LG
chris
Na das könnte doch fast das original classic Bedienteil sein.
Drück doch mal auf die "Einstellungen" Taste, das ist die oben links. Wenn da irgendwann - - - - kommt haste Glück gehabt, mit 1688 gehts dann ins Service Menü. Wenn es nur drei Striche hat - - - ...geht es nicht.
Aber sei so gut und liess dir vor Änderungen nochmal die etwas längere "alle Details" Anleitung von meiner Seite hier durch. Du kannst da diverse Sachen verstellen und das Verhalten deiner Heizung stark beeinflussen. Im Positiven wie im Negativen.
Für dich ist der PF Wert interessant, sollte PF5 sein. Falls du da reinkommst usw. Alles andere nicht ändern.
Glühkerze würd ich trotzdem bestellen, auf Vorrat. Kann schon mal kaputt gehen.
LG
chris
Zitat von joe55 am 3. Februar 2025, 21:05 UhrAbend chris und alle hier...
da kommt nix, keine 3 und keine 4 Striche!
Was ich heute getestet hab, ich hab die Pumpe zwei mal vorpumpen( etwa 5 Sekunden pro drücken) lassen und siehe da das Ding hat beim ersten Start durchgezogen! Wenn das so funktioniert kann ich damit leben, im Betrieb auf H3 Ausblastemperatur 82 Grad den ganzen Tag über...
Dieses Display ist echt nervig! Die Temp. des Wärmetauscher wir nur nach drücken der ok Taste und dann auch nur kurz angezeugt,
darum habe ich ein Grillthermometer mit Sensor im Ausblasrohr...
@rapidicus.... ich versteh technisch deine Ausführung nicht ganz, wenn ich die Kerze mittels Schalter vom Bord trenne und mittels weiteren Taster die zweite Zuleitung vom Netzteil bestrome dann glüht die Kerze doch wieder, wenn ich die an einer Autobaterie teste glüht Sie ja auch. Nur kurz ..dann Taster loslassen und wieder Zuleitung zum Mainboard einschalten...
Abend chris und alle hier...
da kommt nix, keine 3 und keine 4 Striche!
Was ich heute getestet hab, ich hab die Pumpe zwei mal vorpumpen( etwa 5 Sekunden pro drücken) lassen und siehe da das Ding hat beim ersten Start durchgezogen! Wenn das so funktioniert kann ich damit leben, im Betrieb auf H3 Ausblastemperatur 82 Grad den ganzen Tag über...
Dieses Display ist echt nervig! Die Temp. des Wärmetauscher wir nur nach drücken der ok Taste und dann auch nur kurz angezeugt,
darum habe ich ein Grillthermometer mit Sensor im Ausblasrohr...
@rapidicus.... ich versteh technisch deine Ausführung nicht ganz, wenn ich die Kerze mittels Schalter vom Bord trenne und mittels weiteren Taster die zweite Zuleitung vom Netzteil bestrome dann glüht die Kerze doch wieder, wenn ich die an einer Autobaterie teste glüht Sie ja auch. Nur kurz ..dann Taster loslassen und wieder Zuleitung zum Mainboard einschalten...
Zitat von chris@25u am 3. Februar 2025, 23:13 UhrHmm wenn die Heizung - mit vorpumpen - funktioniert würde ich den Fehler wiederum woanders suchen. Nicht bei der Glühkerze und auch nicht beim Bedienteil.
In dem Fall wäre mein Verdacht, dass die Dieselleitung nicht dicht ist. Nach einiger Zeit zieht sie Luft und dann braucht die Pumpe einfach zu lang um genug Diesel zum zünden / aufheizen in den Brenner zu drücken.
Check mal die ganzen Leitungen. Nur zusammen stecken reicht nicht. Sind da überall Schellen zum verschrauben drum, die schön festgezogen sind ? Wenn bei dir dieser grüne, weiche Aquaristik Schlauch beilag würd ich den auf jeden Fall mit was vernünftigem ersetzen.
LG chris
Hmm wenn die Heizung - mit vorpumpen - funktioniert würde ich den Fehler wiederum woanders suchen. Nicht bei der Glühkerze und auch nicht beim Bedienteil.
In dem Fall wäre mein Verdacht, dass die Dieselleitung nicht dicht ist. Nach einiger Zeit zieht sie Luft und dann braucht die Pumpe einfach zu lang um genug Diesel zum zünden / aufheizen in den Brenner zu drücken.
Check mal die ganzen Leitungen. Nur zusammen stecken reicht nicht. Sind da überall Schellen zum verschrauben drum, die schön festgezogen sind ? Wenn bei dir dieser grüne, weiche Aquaristik Schlauch beilag würd ich den auf jeden Fall mit was vernünftigem ersetzen.
LG chris
Zitat von joe55 am 3. Februar 2025, 23:33 Uhrchek ich gleich in der früh, hab die weißen harten und die Schwarzen Spritschlauche als Anschluss Adaptierung +Schraubschellen!
Egal ich chek nochmal auf bläschen in der Leitung....danke
chek ich gleich in der früh, hab die weißen harten und die Schwarzen Spritschlauche als Anschluss Adaptierung +Schraubschellen!
Egal ich chek nochmal auf bläschen in der Leitung....danke
Zitat von joe55 am 4. Februar 2025, 21:53 UhrErstmal vielen Dank für eure Hilfe, ich hab alles gechekt keine luft in der Leitung alles Dicht!
Ich lass das mal so mit vorpumpen is ja kein Thema, warum weis der Geier....Das mein Steuergerät nur so kurz die Glühkerze ansteuert ist denke ich eine make, auf Youtube hab ich gesehen die glühen teilweise 3 minuten u länger beim Start!
Wenn wer so nett wäre evtl ein link zur Platine u Display progeammierbar bitte.
lg. Markus
Erstmal vielen Dank für eure Hilfe, ich hab alles gechekt keine luft in der Leitung alles Dicht!
Ich lass das mal so mit vorpumpen is ja kein Thema, warum weis der Geier....Das mein Steuergerät nur so kurz die Glühkerze ansteuert ist denke ich eine make, auf Youtube hab ich gesehen die glühen teilweise 3 minuten u länger beim Start!
Wenn wer so nett wäre evtl ein link zur Platine u Display progeammierbar bitte.
lg. Markus

