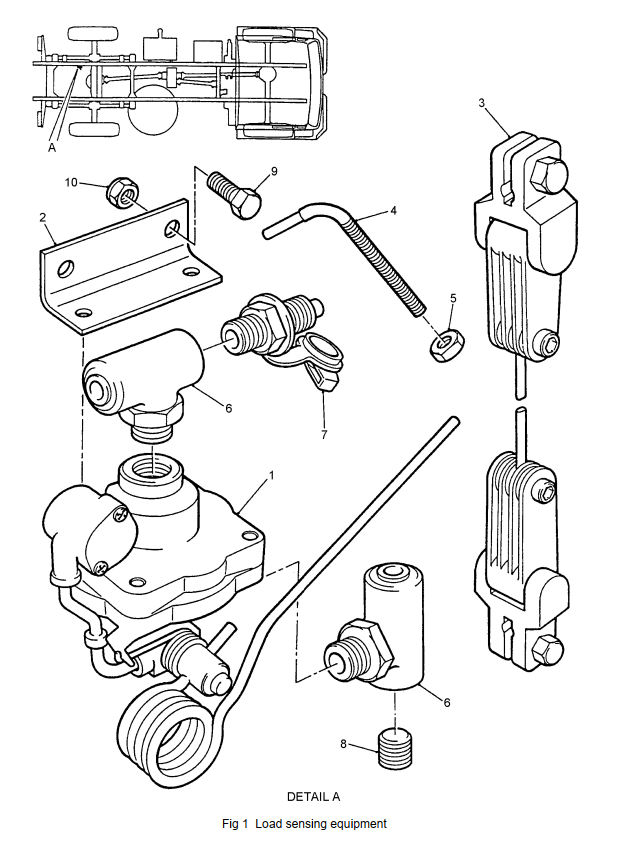
Der DAF T244 verfügt über ein mechanisches System, was bei unterschiedlicher Beladung das Bremsverhalten steuert. Das Load Sensing Valve ist hinten auf der Fahrerseite im Rahmen verbaut, der bewegliche Arm vom Bremsventil ist über einen kleinen Seilzug mit der Hinterachse verbunden.
Wird das Fahrzeug stark beladen, senkt sich die Pritsche nach unten und drückt auf die Federn. Dadurch verändert sich der Winkel vom Arm und das lastabhängige Bremsventil steuert die Bremsanlage automatisch nach.
Bei schwerer Beladung wird die Bremswirkung der Hinterachse erhöht. Bei geringer Beladung wird weniger gebremst, um die Gefahr des Blockierens der Räder zu minimieren. Die Bremswirkung wird daher vom Beladungszustand abhängig gemacht und automatisch gesteuert.
Falls das Teil festsitzt (festgegammelt ist) oder das Drahtseil ab ist hat man natürlich ein Problem. Einfach ausbauen, überbrücken oder fixieren darf man es nicht. Selbst wenn die Kabine immer das gleiche wiegt, weil der LKW nur noch ein stets gleich beladener Camper ist. Das ALB ist Bestandteil der Bremsanlage und ein fitter TüV Prüfer wird auf das Vorhandensein (aus gutem Grund) achten.
Insgesamt gibt es zu dem Block kaum Informationen. In den DAF Unterlagen ist das einfach nur eine BlackBox mit Eingang und Ausgang, ohne Explosionszeichnung. Das Einstellen oder Einmessen wird allerdings erklärt. Jedenfalls bin ich einer der ersten Blogger, der dazu etwas veröffentlicht.
Die Original Teilenummer ist: ACU9290


Eine Reparatur ist jedenfalls schwierig, da in dem Block eine grosse Membrane sitzt für die ich keinen Ersatz gefunden habe. Derzeit weiss ich kein vergleichbares ALB, was 1:1 passen würde. Anhand der bekannten Drucktabelle sollte es aber möglich sein, den Block mit etwas zu ersetzen was genau so funktioniert.

Laut Aussage von einem KFZ Meister wird das Bremsventil wie folgt eingestellt:
An den beiden Prüfanschlüssen werden zwei Prüfmanometer angeschlossen. Der Prüfanschluss für die Vorderachse ist auf der Fahrerseite beim Bremszylinder. Wie oben abgebildet ist der Prüfanschluss für die Hinterachse beim lastabhängigen Bremsventil. Das Gewicht auf der Hinterachse muss bekannt sein, am einfachsten ist das bei einem nicht beladenen DAF T244 nur mit leerer Pritsche: 2 bar.
Nun auf die Bremse treten, bis 5,5 Bar am Eingang anliegen. Am Ausgang muss dann der Druck anliegen, der in der Tabelle für die Last der Hinterachse steht. Falls nicht den Hebel entsprechend verstellen.