Neue 2kW Standheizung mit Alu Gehäuse und 80mm Auslass, blaues LCD mit 5 Knöpfen
Zitat von crossbreak am 26. November 2022, 3:54 UhrThema: Neue 2kW Standheizung mit Alu Gehäuse und 80mm Auslass, blaues LCD mit 5 Knöpfen
Hi,super Forum hier, erstmal vielen Dank für die Ganzen Beiträge und die Zusammenfassung auf der Manpage.
Ich habe mir eine 2kW bei Vevor gegönnt für meine isolierte Gartenhütte mit ~30m³ zu behiezen. Krass wie wenig Diesel man so verbraucht. https://www.vevor.de/diesel-heizung-c_10321/2kw-12v-diesel-standheizung-luftheizung-heizung-heizgeraet-air-heater-lcd-pkw-p_010774880260
Dabei war ein blaues LCD mit 5 Knöüfen und eine 22ml/1000 Takte Ölpumpe.
Erstmal zum Auslass für die Warmluft. Die hat bei meinem Alu Druckguss Gehäuse ca. 80mm!! Nicht 60 wie angenommen. Die äußeren Abmaße sind auch nicht 11,5cm sondern eher so 13. Dennoch ist sie deutlich kleiner als die 8kW von HCalory die ich 1 Woche vorher verbaut hatte (und jetzt übrig habe).
Nun zum neuen Display, es hat den dreieckigen Stecker. Leider komme ich nicht ins Service Menü. Sie taktet mir ~1,5Hz auf kleinster Flamme i.M. auch deutlich zu schnell für die mitgelieferte 22ml/1000Takte Pumpe, ich kann sie aber durch gedrückt halten der obern beiden Taster (OK und Zanhrad) im 5000m Höhenmodus auf 1 Hz runter regeln, dann heizt sie ganz passabel ohne Ruß.
Noch ein blödes Detail. Beim alten, "sprechenden" 8kW Display (ja das hat tatsächlich ein Soundmodul), der Link zum Kaufland Artikel ist natürlich schon tot... Bilder vom "sprechenden" Display sende ich nach. Auf alle Fälle konnte ich den Stop der Heizung bei diesem Display einfach abbrechen und sie wieder starten. Sie hat dann runter gekühlt und dann einfach wieder normal wieter geheizt. Das war echt angenehm und geht mit dem "blauen" Display so nicht. Voll doof. Mir is v.A. wichtig tie Hz für die Pumpe einzustellen damit das zu meiner dicken 22ml (nicht 16ml wie eigentlich vogesehen?) Pumpe passt.
Frage: Hat jemand mal diese blaue 5-Tasten Display durch ein "normales" schwarzes ersetzt? Von H-Calory gibt es da eins für ein paar Euro https://www.ebay.de/itm/195474870746 bin kurz davor das einfach mal zu bestellen. Das "blaue" kann man ngar nicht mehr bedienen in den 2 Minuten in denen die Heizug runterkühlt. In dieser Phase ist das Display komplett unbedienbar. Das war bei der 5kW von H-Caloriy nicht so, die konnte ich einfach neustarten.
Zum anderen nervt mich das Geräusch des Innenventilators. Den würde ich gerne entfernen und durch einen 120mm PC-Lüfter ersetzen der (geregelt über die Drehzahl des Motors, also gleiche Drehzahl falls nötig) die Heizung kühlt. Hat das schonmal jemand gewagt? Die Lüfterregelung kann ich einfach über einen Arduino bewerkstelligen, der den PC-Lüfter auf gleiche Drehzahl wie den entfernten Verbrennerlüfter bringt, vorausgesetzt die Brennertemperatur ist >105°C, anonsten läuft er auf 1500 U/min, also rel leise, auch beim Hochlauf.
Mir ist klar dass die Steuerung die Drehzahl mit einem Hallsensor ausließt. Dafür kann ich mir eine passende kleine Ersatzscheibe basteln auf der nur 2 Magneten sitzen um die Drehzahl den Hallsensoren auf der Hauptplatine mit Drehzahlsignal zu füttern. Leider lässt sich das Lüfterrad des Innnenlüfters nicht so leicht entfernen wie gedacht. Es sieht so aus als ob da ein Vielkant drauf is, und das Rad wirklich mit viel Kraft aufgepresst wurde 🙁 (siehe Bild 1)
Sorry für sehr viel Text.
Thema: Neue 2kW Standheizung mit Alu Gehäuse und 80mm Auslass, blaues LCD mit 5 Knöpfen
Hi,
super Forum hier, erstmal vielen Dank für die Ganzen Beiträge und die Zusammenfassung auf der Manpage.
Ich habe mir eine 2kW bei Vevor gegönnt für meine isolierte Gartenhütte mit ~30m³ zu behiezen. Krass wie wenig Diesel man so verbraucht. https://www.vevor.de/diesel-heizung-c_10321/2kw-12v-diesel-standheizung-luftheizung-heizung-heizgeraet-air-heater-lcd-pkw-p_010774880260
Dabei war ein blaues LCD mit 5 Knöüfen und eine 22ml/1000 Takte Ölpumpe.
Erstmal zum Auslass für die Warmluft. Die hat bei meinem Alu Druckguss Gehäuse ca. 80mm!! Nicht 60 wie angenommen. Die äußeren Abmaße sind auch nicht 11,5cm sondern eher so 13. Dennoch ist sie deutlich kleiner als die 8kW von HCalory die ich 1 Woche vorher verbaut hatte (und jetzt übrig habe).
Nun zum neuen Display, es hat den dreieckigen Stecker. Leider komme ich nicht ins Service Menü. Sie taktet mir ~1,5Hz auf kleinster Flamme i.M. auch deutlich zu schnell für die mitgelieferte 22ml/1000Takte Pumpe, ich kann sie aber durch gedrückt halten der obern beiden Taster (OK und Zanhrad) im 5000m Höhenmodus auf 1 Hz runter regeln, dann heizt sie ganz passabel ohne Ruß.
Noch ein blödes Detail. Beim alten, "sprechenden" 8kW Display (ja das hat tatsächlich ein Soundmodul), der Link zum Kaufland Artikel ist natürlich schon tot... Bilder vom "sprechenden" Display sende ich nach. Auf alle Fälle konnte ich den Stop der Heizung bei diesem Display einfach abbrechen und sie wieder starten. Sie hat dann runter gekühlt und dann einfach wieder normal wieter geheizt. Das war echt angenehm und geht mit dem "blauen" Display so nicht. Voll doof. Mir is v.A. wichtig tie Hz für die Pumpe einzustellen damit das zu meiner dicken 22ml (nicht 16ml wie eigentlich vogesehen?) Pumpe passt.
Frage: Hat jemand mal diese blaue 5-Tasten Display durch ein "normales" schwarzes ersetzt? Von H-Calory gibt es da eins für ein paar Euro https://www.ebay.de/itm/195474870746 bin kurz davor das einfach mal zu bestellen. Das "blaue" kann man ngar nicht mehr bedienen in den 2 Minuten in denen die Heizug runterkühlt. In dieser Phase ist das Display komplett unbedienbar. Das war bei der 5kW von H-Caloriy nicht so, die konnte ich einfach neustarten.
Zum anderen nervt mich das Geräusch des Innenventilators. Den würde ich gerne entfernen und durch einen 120mm PC-Lüfter ersetzen der (geregelt über die Drehzahl des Motors, also gleiche Drehzahl falls nötig) die Heizung kühlt. Hat das schonmal jemand gewagt? Die Lüfterregelung kann ich einfach über einen Arduino bewerkstelligen, der den PC-Lüfter auf gleiche Drehzahl wie den entfernten Verbrennerlüfter bringt, vorausgesetzt die Brennertemperatur ist >105°C, anonsten läuft er auf 1500 U/min, also rel leise, auch beim Hochlauf.
Mir ist klar dass die Steuerung die Drehzahl mit einem Hallsensor ausließt. Dafür kann ich mir eine passende kleine Ersatzscheibe basteln auf der nur 2 Magneten sitzen um die Drehzahl den Hallsensoren auf der Hauptplatine mit Drehzahlsignal zu füttern. Leider lässt sich das Lüfterrad des Innnenlüfters nicht so leicht entfernen wie gedacht. Es sieht so aus als ob da ein Vielkant drauf is, und das Rad wirklich mit viel Kraft aufgepresst wurde 🙁 (siehe Bild 1)
Sorry für sehr viel Text.
Hochgeladene Dateien:Zitat von driver am 26. November 2022, 13:02 UhrMoin,
tja den Lüfter zu ersetzen dürfte ein nicht zu unterschätzendes Projekt werden. Abgesehen vom Magneten, den man so anbringen muss, dass der Sensor ihn auslesen kann gibts da noch weitere Schwierigkeiten. Die Heizung hat zwei Ventilatoren: den inneren für die Brennerluft und den äußeren für die Warmluft. Das ganze sitzt auf einer Welle mit Motor. Lager erneuern ist schon gemacht worden, das ist alles "nur" aufgepresst. Aber die ganze Einheit zu ersetzen wird glaub ich zu kompliziert. Zumal nicht klar ist, ob der PC Ventilator den gleichen Luftstrom liefert.
Hast du es schon Mal mit einer Schalldämpfung probiert ?
Bei eBay nennen die sich Telefonieschalldämpfer. Meiner ist im LKW U-förmig verlegt, da hörst du vom Ventilator nix mehr. Bei mir dreht die Heizung zum Start einmal auf, dann kommt da einfach nur noch warme Luft raus.
Danke für den Hinweis, daß OK & Zahnrad bei dir den Höhenmodus auslösen. Funktioniert bei meiner älteren Schaltung nämlich nicht und das Thema Höhemodus ist hier immer Mal wieder Gegenstand meiner Experimente.
Moin,
tja den Lüfter zu ersetzen dürfte ein nicht zu unterschätzendes Projekt werden. Abgesehen vom Magneten, den man so anbringen muss, dass der Sensor ihn auslesen kann gibts da noch weitere Schwierigkeiten. Die Heizung hat zwei Ventilatoren: den inneren für die Brennerluft und den äußeren für die Warmluft. Das ganze sitzt auf einer Welle mit Motor. Lager erneuern ist schon gemacht worden, das ist alles "nur" aufgepresst. Aber die ganze Einheit zu ersetzen wird glaub ich zu kompliziert. Zumal nicht klar ist, ob der PC Ventilator den gleichen Luftstrom liefert.
Hast du es schon Mal mit einer Schalldämpfung probiert ?
Bei eBay nennen die sich Telefonieschalldämpfer. Meiner ist im LKW U-förmig verlegt, da hörst du vom Ventilator nix mehr. Bei mir dreht die Heizung zum Start einmal auf, dann kommt da einfach nur noch warme Luft raus.
Danke für den Hinweis, daß OK & Zahnrad bei dir den Höhenmodus auslösen. Funktioniert bei meiner älteren Schaltung nämlich nicht und das Thema Höhemodus ist hier immer Mal wieder Gegenstand meiner Experimente.
Zitat von DonGlatzionie am 26. November 2022, 18:04 UhrHi crossbreak,
die Idee mit dem PC-Lüfter solltest du, so schnell wie möglich wieder aus deinem Kopf entfernen -> die Geometrieen der Lüfter sind ganz unterschiedlich und dadurch auch der Umsatz des Luftvolumen -> es gibt mittlerweile schon gute PC-Lüfter mit viel Luftumsatz (BeQuiet usw..) aber vergiss es!!! Vergleiche mal nur die kritischen Temperaturen -> CPU oder GPU um die 100° -> der Wärmetaucher der Heizung um die 250° -> dann noch die zu kühlende Fläche der Wärmequelle, beim PC eine "sehr" große Briefmarke, über Heatpipes und Co gut vergrößert. Dies ist aber kein Vergleich zu einem "glühenden Fußball", doofer Vergleich, was besseres fiel mir nicht ein!! Die "kleinen" PC-Lüfter (bis 140mm) schaffen das nie und nimmer (Versuch wäre es natürlich Wert - aber ein scheitern leider vorprogrammiert). Großes Luftvolumen schnell bewegt, macht nunmal leider Geräusche!
Du hast aber die Möglichkeit, die ein/ausströmende Luft, mit Hilfe von "Telefonieschalldämpfer", zu beruhigen - nicht ganz güntig - aber eine Option!
Wie man den Lüfter entfernt siehst du hier:
https://www.25u.de/forum/topic/lagerschaden-wie-luefter-demontieren/
Nicht gerade simpel!
Gruß Stefan
Hi crossbreak,
die Idee mit dem PC-Lüfter solltest du, so schnell wie möglich wieder aus deinem Kopf entfernen -> die Geometrieen der Lüfter sind ganz unterschiedlich und dadurch auch der Umsatz des Luftvolumen -> es gibt mittlerweile schon gute PC-Lüfter mit viel Luftumsatz (BeQuiet usw..) aber vergiss es!!! Vergleiche mal nur die kritischen Temperaturen -> CPU oder GPU um die 100° -> der Wärmetaucher der Heizung um die 250° -> dann noch die zu kühlende Fläche der Wärmequelle, beim PC eine "sehr" große Briefmarke, über Heatpipes und Co gut vergrößert. Dies ist aber kein Vergleich zu einem "glühenden Fußball", doofer Vergleich, was besseres fiel mir nicht ein!! Die "kleinen" PC-Lüfter (bis 140mm) schaffen das nie und nimmer (Versuch wäre es natürlich Wert - aber ein scheitern leider vorprogrammiert). Großes Luftvolumen schnell bewegt, macht nunmal leider Geräusche!
Du hast aber die Möglichkeit, die ein/ausströmende Luft, mit Hilfe von "Telefonieschalldämpfer", zu beruhigen - nicht ganz güntig - aber eine Option!
Wie man den Lüfter entfernt siehst du hier:
https://www.25u.de/forum/topic/lagerschaden-wie-luefter-demontieren/
Nicht gerade simpel!
Gruß Stefan
Zitat von -Can am 27. November 2022, 1:48 UhrRichtig, so ein schnöder PC-Lüfter hat gerade mal 12V bei 0,2 A, also 2,4Watt. Vielleicht gibt es auch irgendwo einen mit 3facher Leistung, aber selbst dieser wäre wohl eher mit Flatulenzen zu vergleichen. Reicht nicht mal ansatzweise. ORDENTLICH Luftdurchsatz braucht ORDENTLICH Watt!
Dieses Gebläse hat eine beachtliche Schaufelleistung -versuche es mal im laufenden Betrieb anzuhalten. Du wirst sehen, wieviel PS der Motor haben muß, damit's läuft.
Ich hatte meinen Umluftpuster leiser gemacht, indem ich das Gebläserad in Strömungsrichtung schräg abgedrechselt hatte. War dadurch sehr viel strömungsgünstiger und somit auch leiser. Zudem sank der Stromverbrauch. War also sehr effektiv. Viel mehr ist nicht machbar. Ich versuche die nächsten Tage, ein Foto davon zu machen und liefere es dann nach.
Richtig, so ein schnöder PC-Lüfter hat gerade mal 12V bei 0,2 A, also 2,4Watt. Vielleicht gibt es auch irgendwo einen mit 3facher Leistung, aber selbst dieser wäre wohl eher mit Flatulenzen zu vergleichen. Reicht nicht mal ansatzweise. ORDENTLICH Luftdurchsatz braucht ORDENTLICH Watt!
Dieses Gebläse hat eine beachtliche Schaufelleistung -versuche es mal im laufenden Betrieb anzuhalten. Du wirst sehen, wieviel PS der Motor haben muß, damit's läuft.
Ich hatte meinen Umluftpuster leiser gemacht, indem ich das Gebläserad in Strömungsrichtung schräg abgedrechselt hatte. War dadurch sehr viel strömungsgünstiger und somit auch leiser. Zudem sank der Stromverbrauch. War also sehr effektiv. Viel mehr ist nicht machbar. Ich versuche die nächsten Tage, ein Foto davon zu machen und liefere es dann nach.
Zitat von crossbreak am 27. November 2022, 21:22 UhrHi, vielen Dank für die Ideen und Anregungen!
-Can über ein Foto würde ich mich sehr freuen!!
Erstmal zum Display: Da keiner direkt widersprochen hat, werden ich das von HCalory mal bestellen und anstecken, das Protokoll scheint sich ja nicht geändert zu haben laut der Seite vom Afterburner mit der sehr guten Doku zum Halbduplex-Protokoll. Nur Versuch macht klug, ich werde nächste Woche berichten.
https://gitlab.com/mrjones.id.au/bluetoothheater/-/blob/master/Documentation/V9%20-%20Hacking%20the%20Chinese%20Diesel%20Heater%20Communications%20Protocol.pdfZum Lüfter:
Also so einen Schalldämpfer will ich nicht, ist mit zu sperrig. Zudem schalte ich die Heizung jetzt wo es draußen 5 bis 10°C sind nach ~20 Minuten für ~40 Minuten ab. D.h. alle ~60 Minuten dreht der Lüfter für 2 Minuten auf Vollgas...nicht cool. Auch mit 5 dB weniger nicht.Danke für den Link Stefan, das gibt mir schonmal Hoffnung: Die Art der Lagerung lässt es prizipiell zu den äußeren Läufer ersatzlos zu entfernen ohne starke Auswirkungen (Resonanzen...) auf das Schwingungssystem des Rotors zu bekommen. Die 1. Eigenform ändert sich nach dem Entfernen nicht.
2 Möglichkeiten:
1. Neue Scheibe
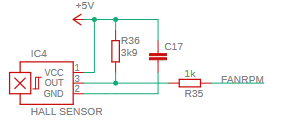
Und den Hallsensor verlängern (ist wohl ein TO-92) und 2 Magnete auf eine große 4mm U-Scheibe kleben und diese Anstelle des alten Lüfters aufpressen. Weiß zufällig gemand den Typen? Ich vermute ja einen Unipolaren wie den SS411 allein aus dem Schaltbild (s.u.).
Am coolsten wäre natürlich eine 3D gedruckte Scheibe, die die Magnete genau an der Stelle hat wie die alte und man nix groß löten braucht. Leider bin ich zu faul um Fusion zu installieren2. Die alte verwenden:
Evtl ist es das einfachste die Schaufeln vom Lüfterrrad sauber zu entfernen und ihn mal laufen zu lassen am Labornetzteil, um die Unwucht abzuschätzen...und zur Not zu nochmal zu wuchten, ich hoffe das wird nicht notwendig sein. Allein das lässt mich allerdings zu Möglichkeit 1 dendieren.Ich verwende aktuell diesen Lüfter hier (Schreibtischaufbau): https://www.inter-tech.de/produktdetails-121/DFG12038B12DN.html
Ich kann mit Sicherheit sagen, dass der ausgewählte Lüfter einen deutlich höheren Luftstrom erzeugt als der originale. Die Nenndrehzahlen sind etwa gleich. Ich mache natürlich einen vergleich vorher/nachher der Gehäusetemperatur. Dummerweise hat der neue Lüfter keinen Tachosensor, da muss ich improvisieren, den brauche ich wie oben bereits geschrieben zum Umsetzen der Steuerungsstrategie. Da er burshless ist lässt sich sicherlich das Hall-Signal einfach abgreifen.Ich muss unbedingt mehr Bilder machen, morgen gibt es ein kleines Update.
Hi, vielen Dank für die Ideen und Anregungen!
-Can über ein Foto würde ich mich sehr freuen!!
Erstmal zum Display: Da keiner direkt widersprochen hat, werden ich das von HCalory mal bestellen und anstecken, das Protokoll scheint sich ja nicht geändert zu haben laut der Seite vom Afterburner mit der sehr guten Doku zum Halbduplex-Protokoll. Nur Versuch macht klug, ich werde nächste Woche berichten.
https://gitlab.com/mrjones.id.au/bluetoothheater/-/blob/master/Documentation/V9%20-%20Hacking%20the%20Chinese%20Diesel%20Heater%20Communications%20Protocol.pdf
Zum Lüfter:
Also so einen Schalldämpfer will ich nicht, ist mit zu sperrig. Zudem schalte ich die Heizung jetzt wo es draußen 5 bis 10°C sind nach ~20 Minuten für ~40 Minuten ab. D.h. alle ~60 Minuten dreht der Lüfter für 2 Minuten auf Vollgas...nicht cool. Auch mit 5 dB weniger nicht.
Danke für den Link Stefan, das gibt mir schonmal Hoffnung: Die Art der Lagerung lässt es prizipiell zu den äußeren Läufer ersatzlos zu entfernen ohne starke Auswirkungen (Resonanzen...) auf das Schwingungssystem des Rotors zu bekommen. Die 1. Eigenform ändert sich nach dem Entfernen nicht.
2 Möglichkeiten:
1. Neue Scheibe
Und den Hallsensor verlängern (ist wohl ein TO-92) und 2 Magnete auf eine große 4mm U-Scheibe kleben und diese Anstelle des alten Lüfters aufpressen. Weiß zufällig gemand den Typen? Ich vermute ja einen Unipolaren wie den SS411 allein aus dem Schaltbild (s.u.).
Am coolsten wäre natürlich eine 3D gedruckte Scheibe, die die Magnete genau an der Stelle hat wie die alte und man nix groß löten braucht. Leider bin ich zu faul um Fusion zu installieren
2. Die alte verwenden:
Evtl ist es das einfachste die Schaufeln vom Lüfterrrad sauber zu entfernen und ihn mal laufen zu lassen am Labornetzteil, um die Unwucht abzuschätzen...und zur Not zu nochmal zu wuchten, ich hoffe das wird nicht notwendig sein. Allein das lässt mich allerdings zu Möglichkeit 1 dendieren.
Ich verwende aktuell diesen Lüfter hier (Schreibtischaufbau): https://www.inter-tech.de/produktdetails-121/DFG12038B12DN.html
Ich kann mit Sicherheit sagen, dass der ausgewählte Lüfter einen deutlich höheren Luftstrom erzeugt als der originale. Die Nenndrehzahlen sind etwa gleich. Ich mache natürlich einen vergleich vorher/nachher der Gehäusetemperatur. Dummerweise hat der neue Lüfter keinen Tachosensor, da muss ich improvisieren, den brauche ich wie oben bereits geschrieben zum Umsetzen der Steuerungsstrategie. Da er burshless ist lässt sich sicherlich das Hall-Signal einfach abgreifen.
Ich muss unbedingt mehr Bilder machen, morgen gibt es ein kleines Update.
Hochgeladene Dateien:Zitat von crossbreak am 27. November 2022, 21:38 UhrWie erwartet kann das Hallsignal abgegriffen werden, es ist sogar bereits ein entsprechender Anschluss am Lüfter vorgesehen (Lötpad mit Beschriftung "S" =Speed?).
Witzigerweise scheint dieser gar nicht gewuchtet zu sein und das trotz der recht flotten 5500 U/min. In keiner der Taschen steckte ein Wuchtgewicht. Der Luftsrom ist so stark, dass der Lüfter abhebt wenn man ihn nach unten richtet, dennoch läuft er erstaunlich ruhig (angeblich 47dB lol). Klare Empfehlung an dieser Stelle.
Des Weiteren empfehle ich an der Stelle des Lötpads schlicht ein Stück von Gehäuse weg zu bohren um die Signalleitung anzulöten: Den Clip zum Fixieren des Lüfterrads wieder heile drauf zu bekommen gestaltet sich gerade recht schwierig...
Oder noch besser: Es gibt das Modell wohl auch von CoolerMaster allerdings mit Tachostrippe
Wie erwartet kann das Hallsignal abgegriffen werden, es ist sogar bereits ein entsprechender Anschluss am Lüfter vorgesehen (Lötpad mit Beschriftung "S" =Speed?).
Witzigerweise scheint dieser gar nicht gewuchtet zu sein und das trotz der recht flotten 5500 U/min. In keiner der Taschen steckte ein Wuchtgewicht. Der Luftsrom ist so stark, dass der Lüfter abhebt wenn man ihn nach unten richtet, dennoch läuft er erstaunlich ruhig (angeblich 47dB lol). Klare Empfehlung an dieser Stelle.
Des Weiteren empfehle ich an der Stelle des Lötpads schlicht ein Stück von Gehäuse weg zu bohren um die Signalleitung anzulöten: Den Clip zum Fixieren des Lüfterrads wieder heile drauf zu bekommen gestaltet sich gerade recht schwierig...
Oder noch besser: Es gibt das Modell wohl auch von CoolerMaster allerdings mit Tachostrippe
Hochgeladene Dateien:Zitat von crossbreak am 27. November 2022, 22:11 UhrWie sieht es denn aus mit der 22ml Pumpe? Sollte ich nicht besser eine 16er benutzen? Meiner Meinung nach pumpt die Heizung die gleiche Spritmenge wie die 5kW (außer sie ist im Höhenmodus) und das Abgas riecht ordentlich nach Sprit (außer im Höhenmodus).
Irgendwelche Erfahrungen?
Wie sieht es denn aus mit der 22ml Pumpe? Sollte ich nicht besser eine 16er benutzen? Meiner Meinung nach pumpt die Heizung die gleiche Spritmenge wie die 5kW (außer sie ist im Höhenmodus) und das Abgas riecht ordentlich nach Sprit (außer im Höhenmodus).
Irgendwelche Erfahrungen?
Zitat von driver am 28. November 2022, 0:22 UhrTja zum Lüfterexperiment würde ich sagen: probier es aus. Wenn dir ein Umbau gelingt wäre es auf jeden Fall ein interessantes Experiment.
Viel zu verlieren hast du nicht. Den original Lüfter bekommt man als Ersatzteil, eine komplett neue Heizung kosten nur um die 100. Bei einem Fehlschlag hält sich der Schaden in Grenzen.
Die Pumpe mit der 16 liefert etwa 16 ml Diesel auf 1000 Takte, sie liegt allen 2KW Heizungen mit dem kleinen Brennraum bei. Die Pumpe mit der 22 liefert etwa 22 ml auf 1000 Takte, diese ist bei den 5KW Diesel Heizungen zu finden.
Tja zum Lüfterexperiment würde ich sagen: probier es aus. Wenn dir ein Umbau gelingt wäre es auf jeden Fall ein interessantes Experiment.
Viel zu verlieren hast du nicht. Den original Lüfter bekommt man als Ersatzteil, eine komplett neue Heizung kosten nur um die 100. Bei einem Fehlschlag hält sich der Schaden in Grenzen.
Die Pumpe mit der 16 liefert etwa 16 ml Diesel auf 1000 Takte, sie liegt allen 2KW Heizungen mit dem kleinen Brennraum bei. Die Pumpe mit der 22 liefert etwa 22 ml auf 1000 Takte, diese ist bei den 5KW Diesel Heizungen zu finden.
Zitat von DonGlatzionie am 28. November 2022, 22:56 UhrHi crossbreak,
wie der Chris schon schrieb, die 16er Pumpe gehört an die kleine 2KW - solltest du dann wohl nachbestellen - besser ist es die Heizung "erstmal" im Auslieferungszustand zu benutzen...So wurde sie halt konzipiert und funktioniert sie auch sehr gut! Warum du allerdings die falsche Pumpe geliefert bekommen hast, wissen wahrscheinlich selbst die Chinesen nicht - was halt da war am Lager ging raus!
Als ich damals den Afterburner gekauft habe, hatte ich auch öfter mit Ray Jones Kontakt, und ich weiß noch das er an einer DIY Lösung tüfftelte (Arduino oder so), also ein zusätzliches Board für die Lüftersteuerung, auch um zB. einfach nur lüften zu können....Ich weiß nicht was daraus wurde, oder ob er es verworfen hat, jedenfalls sollte es keine angebotene Kaufversion werden, sonder eine Anleitung mit FREE Source Code....Vielleicht schreibst du ihn mal an oder er hat es schon bei Github veröffentlicht....
Der Lüfter den du verbauen willst, scheint was ordentliches zu sein (Server usw Grafikkartenkühlung zum "minen"), aber trotzdem wage ich zu bezweifeln, das der nur annähernd die Kühlleistung des originalen bringt -> aber HEY coole Idee, und du scheinst ja auf dem Gebiet (Mikroelektronik) bewandert zu sein -> Ich bin gespannt wie es aus geht!!!! Aber bitte greif die Daten des Tempsensors ab, oder lass dir diese per Display/Fernbedienung anzeigen - bei 240-250° ist Schluss - Heizung schaltet wegen Überhitzung in den Kühlmodus - das sollte deine Bastelei dann auch mit können!!!!
Gib bitte Rückmeldung!
Gruß Stefan
Hi crossbreak,
wie der Chris schon schrieb, die 16er Pumpe gehört an die kleine 2KW - solltest du dann wohl nachbestellen - besser ist es die Heizung "erstmal" im Auslieferungszustand zu benutzen...So wurde sie halt konzipiert und funktioniert sie auch sehr gut! Warum du allerdings die falsche Pumpe geliefert bekommen hast, wissen wahrscheinlich selbst die Chinesen nicht - was halt da war am Lager ging raus!
Als ich damals den Afterburner gekauft habe, hatte ich auch öfter mit Ray Jones Kontakt, und ich weiß noch das er an einer DIY Lösung tüfftelte (Arduino oder so), also ein zusätzliches Board für die Lüftersteuerung, auch um zB. einfach nur lüften zu können....Ich weiß nicht was daraus wurde, oder ob er es verworfen hat, jedenfalls sollte es keine angebotene Kaufversion werden, sonder eine Anleitung mit FREE Source Code....Vielleicht schreibst du ihn mal an oder er hat es schon bei Github veröffentlicht....
Der Lüfter den du verbauen willst, scheint was ordentliches zu sein (Server usw Grafikkartenkühlung zum "minen"), aber trotzdem wage ich zu bezweifeln, das der nur annähernd die Kühlleistung des originalen bringt -> aber HEY coole Idee, und du scheinst ja auf dem Gebiet (Mikroelektronik) bewandert zu sein -> Ich bin gespannt wie es aus geht!!!! Aber bitte greif die Daten des Tempsensors ab, oder lass dir diese per Display/Fernbedienung anzeigen - bei 240-250° ist Schluss - Heizung schaltet wegen Überhitzung in den Kühlmodus - das sollte deine Bastelei dann auch mit können!!!!
Gib bitte Rückmeldung!
Gruß Stefan
Zitat von driver am 29. November 2022, 14:01 UhrIch hatte gerade ne Chinaheizung vom Reseller Vevor auf dem Tisch, die im Format 11 x 11 und 2KW war und der (wie man es erwarten würde) eine Pumpe mit 16 beilag. Im Menü konntest du aber für die Pumpe 16, 22, 28 einstellen.
Scheint so, als ob die Hersteller durchaus auch den kleinen Heizungen eine der üblichen 22 Pumpen beilegen oder es zumindest planen.
Ich hatte gerade ne Chinaheizung vom Reseller Vevor auf dem Tisch, die im Format 11 x 11 und 2KW war und der (wie man es erwarten würde) eine Pumpe mit 16 beilag. Im Menü konntest du aber für die Pumpe 16, 22, 28 einstellen.
Scheint so, als ob die Hersteller durchaus auch den kleinen Heizungen eine der üblichen 22 Pumpen beilegen oder es zumindest planen.





